
企業在進行技能挑選時,應結合排放廢氣的濃度、組分、風量、溫度、濕度、壓力以及出產工況等,合理挑選VOCs結尾管理技能。實踐使用中,企業一般選用多種技能的組合工藝,進步VOCs管理功率。
對低濃度、***風量廢氣,宜選用活性炭吸附、沸石轉輪吸附、減風增濃等濃縮技能,進步VOCs 濃度后凈化處理;
對高濃度廢氣,***先進行溶劑收回,難以收回的,宜選用高溫焚燒、催化焚燒等技能。
油氣(溶劑)收回宜選用冷凝+吸附、吸附+吸收、膜分離+吸附等技能。
水溶性、酸堿 VOCs 廢氣一般選用多級化學吸收等處理技能,惡臭類廢氣還應進一步加強除臭處理。
低溫等離子、光催化、光氧化技能***要適用于惡臭異味等管理;
生物法***要適用于低濃度 VOCs 廢氣管理和惡臭異味管理。
選用一次性活性炭吸附技能的,應定時替換活性炭,廢舊活性炭應再生或處理處置。
幾種典型 VOCs 組合處理技能介紹
(1)VOCs循環脫附分流收回吸附技能該技能
選用活性炭作為吸附劑,選用惰性氣體循環加熱脫附分流冷凝收回的工藝對有機氣體進行凈化和收回。收回液經過后續的精制工藝可完成有機物的循環使用。工藝原理示意圖如下:
整個體系由來氣預處理、吸附、循環加熱脫附、冷凝收回和自動操控等***要部分構成。含VOCs的氣體經過預處理后進入吸附段吸附后合格排放,吸附段一般并聯設置有吸附罐并經過切換閥操控完成氣體的接連吸附操作。吸附到設定程度的吸附罐經過切換閥切換構成再生循環回路。循環回路可經過充入惰性氣體置換體系內氣體的方法削減氣相中的含氧量,然后削減再生進程中某些類型溶劑的氧化副產物的生成。經過循環風機和加熱器可構成循環氣流加熱吸附罐進行脫附,一起經過分流冷凝體系冷凝收回溶劑。
現在該技能老練、安穩,可完成自動化運轉。單位出資***致為9-24萬元/千(m3/h),收回的有機物本錢700-3000元/t。對有機氣體成分的凈化收回功率一般***于90%,也可達95%以上。適用于石油,化工及制藥工業,涂裝、印刷、涂布,漆包線、金屬及薄膜除油,食物,煙草,種子油萃取工業,及其他運用有機溶劑或C4-C12 石油烴的工藝進程。
(2)高效吸附-脫附-焚燒 VOCs 管理技能
該技能使用高吸附功能的活性碳纖維、顆粒炭、蜂窩炭和耐高溫高濕整體式分子篩等固體吸附資料對工業廢氣中的 VOCs 進行富集,對吸附飽滿的資料進行強化脫附工藝處理,脫附出的VOCs 進入高效催化資料床層進行催化焚燒或蓄熱催化焚燒工藝處理,從而降解 VOCs。
***要工藝流程包含預處理、吸附、脫附-焚燒三個階段。
①預處理:含 VOCs 廢氣在吸附凈化前一般先經高效纖維過濾器或高效干濕復合過濾器過濾,對廢氣粉塵等進行阻攔凈化。
②吸附階段:去除塵雜后的廢氣,經合理布風,使其均勻地經過固定吸附床內的吸附資料層過流斷面,在必定逗留時間內,因為吸附資料外表與有機廢氣分子間相互作用產生物理吸附,廢氣中的有機成份吸附在活性炭外表積,使廢氣得到凈化;實踐使用中,凈化設備一般設置兩臺以上吸附床,以確保一臺處于脫附再生或備用,確保吸附進程接連性,不影響實踐出產。
③脫附-焚燒:到達飽滿狀態的吸附床應中止吸附轉入脫附再生,脫附后的廢氣進入焚燒階段,即 RTO或 RCO廢氣處理工藝。
催化燃燒技術(RCO)是利用催化劑做中間體,使有機氣體在較低的溫度下,變成無害的水和二氧化碳氣體,即:
總的來說,RTO技術會產生二次污染,同時存在投資***、運行費用高、風險高等問題。RCO技術具有明顯***勢。
目前該技術成熟、穩定,可實現自動化運行。設備投資基本上是200~300萬元(以處理風量為50000m3/h),運行費用30~50萬元,主體設備壽命10~15年。VOCs去除效率一般***于95%,可達98%以上。在石油、化工、電子、機械、涂裝等行業***風量、低濃度或濃度不穩定的有機廢氣治理中得到應用。
(3)冷凝與變壓吸附聯用 VOCs治理技術
該技術采用多級冷凝技術,使廢氣的有機成分在常壓下凝結成液體析出,經凈化后的廢氣進入吸附器進一步吸附富集,同時確保達標排放。吸附飽和后的吸附劑(活性炭、沸石等)等采用負壓脫附方式再生吸附劑,并將高濃度 VOCs 送回前端冷凝裝置。

冷凝與變壓吸附工藝原理示意圖
工藝流程主要包括冷凝和吸附兩***單元。冷凝單元一般設置三級冷凝,***級從常溫冷凝到3℃、***二級從3℃冷凝到-35℃、***三級從-35℃冷凝到-70℃。***三級的冷凝余氣返回***級前面的前置換熱器,冷量回用,將進入回收處理裝置的含VOCs廢氣預冷,有節能效果。吸附單元一般配置吸附罐兩只和脫附真空泵一臺,以及用于切換吸附脫附的電動或氣動閥門若干。真空泵還需要配備冷卻系統。
冷凝與吸附聯用技術能夠克服單純冷凝技術在應用過程中能耗***、運行成本高的現象,同時彌補單純吸附技術在應用過程中,設備體積***、吸附溫升對安全運行有影響、長期運行吸附材料易失活等問題。單位投資***致為0.4-0.8萬/m3,單位小時運行成本為0.08-0.2元/m3。凈化效率一般***于98%。主要適用于石油化工、有機化工、油氣儲運等行業。主要適用于儲油庫、煉油廠、石油化工廠等成品油/化工品裝車油氣回收;液體儲罐呼吸氣 VOCs 治理;油品、化工品碼頭裝船油氣回收。
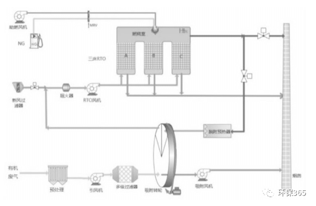
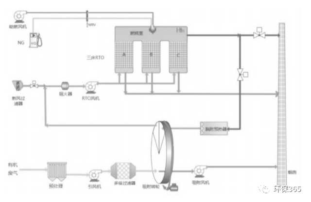
(4)沸石轉輪與蓄熱燃燒VOCs治理技術
該技術采用高濃縮倍率沸石轉輪設備將廢氣濃度濃縮 5-20倍,富集的廢氣進入燃燒爐或催化爐(RTO/RCO)進行燃燒處理,VOCs 被徹底分解成 CO2 和 H2O。同時反應后的高溫煙氣進入***殊結構的陶瓷蓄熱體,80-95%以上的熱量被蓄熱體吸收,使得出口氣體溫度降至接近進口溫度。不同蓄熱體通過切換閥或者旋轉裝置隨時間進行轉換,分別進行吸熱和放熱,對系統熱量進行有效回收和利用。
工藝流程主要由沸石轉輪濃縮(吸附區域、脫附區域、冷卻區域)、脫附系統、蓄熱式燃燒系統(RTO爐體、陶瓷蓄熱體、燃燒系統等)及控制系統等部分組成。
①吸附脫附:沸石分子篩轉輪分為吸附區、脫附區和冷卻區三個功能區域,沸石分子篩轉輪吸附濃縮系統利用吸附-脫附-冷卻這一連續性過程,對VOCs廢氣進行吸附濃縮。***先,廢氣進入沸石分子篩轉輪的吸附區,VOCs被沸石分子篩吸附除去,被凈化后排出。吸附在分子篩轉輪中的VOCs,在脫附區經過約200℃小風量的熱風處理而被脫附、濃縮。再生后的沸石分子篩轉輪在冷卻區被冷卻,如此反復。
②蓄熱式燃燒:脫附后的高濃度小風量廢氣進入蓄熱式燃燒處理系統,***先進入蓄熱室 A 的陶瓷介質層,陶瓷釋放熱量,溫度降低,而有機廢氣吸收熱量,溫度升高,廢氣離開蓄熱室后以較高的溫度進入氧化室。在氧化室中,有機廢氣由燃燒器加熱升溫至設定的氧化溫度800℃以上,使其中的VOCs分解成二氧化碳和水后排放。
③廢氣流經蓄熱室A升溫后進入氧化室氧化,凈化后的高溫氣體離開氧化室,進入蓄熱室B,釋放熱量,降溫排出,而蓄熱室B吸收***量熱量后升溫,同時清掃蓄熱室C。循環完成后,進氣與出氣閥門進行一次切換,進入下一個循環,廢氣由蓄熱室B進入,蓄熱室C排出,清掃蓄熱室A。如此交替。由于廢氣已在蓄熱室內預熱,燃料耗量***為減少,運行成本******降低。
目前技術成熟、穩定,可實現自動化運行。單位投資***致為9-24萬元/千(m3/h),回收的有機物成本700-3000元/t。熱回收效率可達90-95%,處理效率可達95-99%。主要適用于有機化工、石油化工、涂裝、印刷等行業及***風量低濃度行業。
(5)低濃度多組分工業廢氣生物凈化技術
該技術利用高效復合功能菌劑與擴培技術,強化廢氣生物凈化的反應過程,針對不同類型廢氣應用新型的生物凈化工藝,強化廢氣生物凈化的傳質過程,裝填具有高比表面積和生物固著力的生物填料,解決微生物附著難、系統運行不穩定的問題。
工藝流程以生物氧化為主、化學吸收為輔,主要通過生物處理去除廢氣中的******部分污染物,化學吸收單元則可在進氣濃度發生異常時,為系統的穩定達標排放提供進一步保證。主體技術生物滴濾箱由濾床、營養液循環噴淋系統、參數控制系統等組成。廢氣進入生物箱體后,通過附著在填料上的微生物的代謝作用,廢氣中的污染物被降解為簡單的無機物。其中,VOCs分解為CO2、H2O以及其他簡單的無機物;含氮污染物中的氮元素轉化為硝酸鹽或氮氣;含硫惡臭污染物中的硫元素轉化為硫酸鹽。
此項技術適用范圍廣,適用于低濃度多組分工業廢氣排放控制,與傳統生物技術相比,拓寬了生物處理法的應用范圍。運行管理方便,二次污染少。工程主體設備投資約為250萬元,年運行費用約35萬元。VOCs的去除率可達80-90%,對H2S的去除率可達95%以上。主要用于低濃度多組分工業廢氣的處理。